일단 본격적으로 알아보겠습니다. 옴의 법칙이란 일단 저항 R이 일정할 때, 도선에 흐르는 전류의 세기 I는 전압 V에 비례합니다. 물론 정의는 위와 같지만 여러분들은 사실 아래의 공식으로 더 많이 알고 계실겁니다.

위에서 알려드린 옴의 법칙에서는 저항, 전류, 그리고 전압이 서로 관계된 공식이었습니다.
그렇다면 이제 관계하면 친근하게 다가오는 그래프를 볼텐데요. 역시 오늘의 그래프들도 어렵지 않습니다.

먼저 전압-전류 그래프의 경우 입니다. 이경우에는 전류와 전압간의 관계가 비례관계로 나타 나는 데요, 그리고 위에서 그래프의 기울기는 저항과 같습니다. 즉 A의 저항이 B의 저항보다 크다는 이야기죠.

다음으로 전류-전압 그래프의 경우 입니다. 이경우에도 전압과 전류간의 관계가 비례관계로 나타 나는 데요, 그리고 위의 그래프에서 그래프의 기울기는 저항의 역수와 같습니다. 즉 C의 저항이 D의 저항보다 작다는 이야기죠.

위의 경우는 전류-저항 그래프입니다. 이경우에는 전류와 저항간의 관계가 반비례관계로 나타 나는 데요, 위의 그래프에서 저항과 전류의 곱은 전압과 같습니다.
위의 내용들을 표로 정리해 드리자면 이렇습니다.
| 관계 | 전압(V)-전류(I) | 전류(I)-전압(V) | 전류(I)-저항(R) |
| 옴의 법칙 | V∝I | I∝1/R | |
| 기울기 | 전압/전류=저항 RA>RB |
전류/전압=1/저항 RC<RD |
전압이 일정할 때 전류는 저항에 반비례한다. |
이제 다음으로 전기 저항의 연결에 대해 알아보겠습니다.
사실 이부분은 저항의 직렬 연결과 병렬연결, 그리고 혼합연결에 대한 부분인데요, 그전에 저항의 연결과 합성 저항에 대해 알아보도록 하겠습니다.

먼저 저항을 직렬 연결하는 경우입니다. 저항을 직렬로 연결하면 도선의 길이가 길어지는 것과 같습니다. 그런데 지난 강좌에서 저항은 저항체의 길이에 비례한다고 했습니다. 즉 저항 두개가 직렬 연결이 되면 전체 저항이 증가하게 되는 겁니다.

다음으로 저항을 병렬 연결하는 경우입니다. 이때 저항을 병렬로 연결하면 도선의 단면적이 넓어지는 것과 같습니다. 이때에 지난 강좌에서 저항은 저항체의 단면적에 반비례한다고 했었죠. 즉 저항 두 개가 병렬 연결이 되면 전체 저항이 감소하게 되는 것입니다.
이제 본격적으로 전기 저항의 연결을 알아봅시다. 위에서 말했듯이 이의 경우는 직렬연결, 병렬연결, 혼합연결의 3가지가 있습니다.

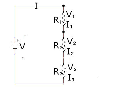
먼저 직렬 연결의 경우입니다. 이 경우에는 각 저항에 흐르는 전류의 값들은 모두 같습니다.
또 각 저항에 걸리는 전압의 합은 총 전압과 같습니다. 그리고 이때에 합성 저항의 값은 각저항의 합과 같습니다.

다음으로 병렬 연결의 경우 입니다. 이 경우에는 각 저항에 흐르는 전류의 합은 총 전류와 같습니다. 또 각 저항에 걸리는 전압의 값들은 모두 같고요, 이때에 합성 저항의 값의 역수는 각 저항값의 역수의 합과 같습니다.

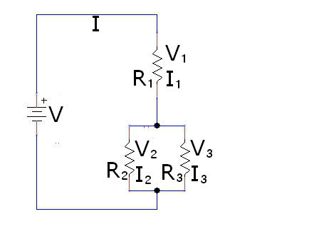
다음으로 혼합 연결의 경우 입니다. 먼저 총 전류의 값은 직렬 연결된 저항의 전류 값과 같고, 병렬 연결된 저항의 전류값의 합과 같으니 식으로 말하면, I=I1=I2+I3와 같습니다.
그리고, 전압의 값은 직렬 연결된 저항의 전압 값의 합과 같고, 병렬 연결된 저항의 전압값과 같으니 식으로 말하자면, V=V1+V2=V1+V3라고 말할수 있습니다.
마지막으로 합성 저항의 값은 직렬 연결된 저항의 합과 같고, 합성저항의 역수는 병렬 연결된 저항의 역수의 합과 같으니, 식으로는 R=R1+R'=R1+(R2×R3)/(R2+R3)라고 말 할수 있겠지요.
사실 위의 것들은 알아보기에 너무 복잡합니다. 그런 의미에서 표로써 정리해 드리자면 이렇습니다.
| 연결 방법 | 직렬 연결 | 병렬 연결 | 혼합 연결 |
| 전류 | I=I1=I2=I3 | I=I1+I2+I3 | I=I1=I2+I3 |
| 전압 | V=V1+V2+V3 | V=V1=V2=V3 | V=V1+V2=V1+V3 |
| 합성 저항 | R=R1+R2+R3 | 1/R=1/R1+1/R2+1/R3 | R=R1+R'=R1+(R2×R3)/(R2+R3) |
| 특징 | *합성 저항:각 저항 중 가장 큰 값의 저항보다 크다. *각 저항에 걸리는 전압:저항의 크기에 비례 |
*합성 저항:각 저항 중에서 가장 작은 값의 저항보다 작다. *각 저항에 흐르는 전류:저항의 크기에 반비례 |
병렬 연결된 부분의 합성 저항을 먼저 구한 후, 전체 저항을 구한다. →전체 전류를 구한 후, 각 저항에서의 전류와 전압을 구한다. |
위에서 밑줄을 쳐 놓은 부분은 이 표에서만 정리 해놓은 것이기 때문에 눈여겨 두실 필요가 있다는 걸 알아 두시고, 다음으로 넘어가서, 저항의 직렬 연결과 병렬 연결의 이해를 도울 참고 사진을 준비 했습니다.

먼저 위의 경우가 저항의 직렬 연결과 같은 경우 입니다. 위의 그림에서 물이 연속적으로 흐르므로 물의 세기는 같습니다. 이는 직렬 연결에서 각 저항을 흐르는 전류의 세기는 같다는 것과 일맥 상통 합니다.
또 여기에서 물의 높이가 낮아 지는 것은 직렬 연결에서 각 저항에 걸리는 전압이 작아지는 것과 비슷 하지요.

다음으로 위의 경우가 저항의 병렬 연결과 같은 경우 입니다. 위의 그림에서 물은 갈라져 흐릅니다. 이는 병렬 연결에서 각 저항을 흐르는 전류가 갈라져서 흐르는 것과 일맥 상통 합니다.
또 여기에서 물의 높이가 같은 것은 병렬 연결에서 각 저항에 걸리는 전압이 같은 것과 비슷 하지요.
'전기 > 전기 기초 이론' 카테고리의 다른 글
| 전선기호에 의한 전선분류 (0) | 2020.12.26 |
|---|---|
| 표준전압ㆍ표준주파수 및 허용오차 (0) | 2020.12.26 |
| [시퀀스제어기호]차단기 및 스위치류 (0) | 2020.12.25 |
| LED 조명 적용시 IRG누전차단기 와 일반 누전차단기특성비교 (0) | 2020.12.23 |
| 용량성 누설전류와 저항성 누설전류 (3) | 2020.12.22 |
| [전선]HFIX (450/750V 저독성 난연 가교 폴리올레핀 절연 전선) (0) | 2019.04.24 |
| [용어,단위] 전기 단위 읽기표 (0) | 2019.03.15 |
댓글